
山東競道光電
聯系人:郝經理
銷售電話:15666889209
銷售QQ:1591259053
公司地址:山東省濰坊高新區光電路155號濰坊高新區光電產業加速器(一期)1號樓
聯系人:郝經理
銷售電話:15666889209
銷售QQ:1591259053
公司地址:山東省濰坊高新區光電路155號濰坊高新區光電產業加速器(一期)1號樓
產品型號:JD-SFA
產品價格:
產品品牌:競道
1.水質浮漂監測站SFA集數據采集、存儲、傳輸和管理于一體的無人值守的采集系統。它在工農業生產、旅游、城市環境監測、地質災害、防洪、供水調度、電站水庫水情管理等為目的水文自動測報系統;功能強大的上位機軟件可遠程觀測實時水雨情信息,具有數據庫、報表、下載等功能,用戶還可利用該功能完善的氣象軟件對記錄的數據作進一步的處理分析。
2.水質監測系統具體由水質傳感器、數據采集儀、通訊系統、供電系統、整體 支架、水質監測平臺六部分組成。可同時監測水溫、PH、溶解氧、電導率、氨氮、 濁度、COD等,多項水質要素。數據采集儀具有數 據采集、實時時鐘、數據定時存儲、參數設定和標準2G/4G(GPRS)通信功能。
二、產品特點
1.易部署:各類型探頭進行高度集成,安裝方便;提供免費云平臺服務,系統快速上線;
2.易維護:設備安裝后,自行工作即可,無需人工值守,也可以通過遠程監控的方式保障設備的正常運行;
3.易擴展:傳感器探頭均使用統一的通信協議,可以快速對接原設備,快速擴展監測參數;
4.低功耗:設備可以實現低功耗狀態下,長時間運行,增加設備使用的便利性;
5.實時性:設備監測到的數據實時傳輸至云平臺,提升環境數據反饋的及時性。
三、技術參數
1. 主體參數
產品名稱 | 描述 |
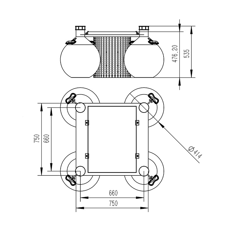
環境水質監測浮標 | 可實時實現多路參數在線監測??蓪崿F電池電量監控。可實現云平臺數據監控、數據推送、數據的存儲和報警功能;數據的無線發射功能。峰值功耗為 5W;傳感器功耗 0.25W左右/只。外形尺寸:750mm*750mm*535mm。浮球直徑414mm重量:22kg |
采集器數據采集 | 運行可靠,抗干擾,可集成多路RS485/MODBUS-RTU從站設備 |
采集器數據輸出 | 1 路 Rs485/JSON協議輸出 |
電池 | 鋰電池 12VDC,20AH(默認) |
太陽能電池板 | 22.1V/50W(默認) |
供電能力 | 定制選型;陰雨天間歇工作 5天以上 |
位置指示(選配) | 警示燈;GPS 定位; |
監測平臺 | 云平臺;手機/電腦多終端登錄 |
防護罩 | 304 不銹鋼濾筒防護罩 |
浮體 | 直徑414mm 球形浮體*4工程塑料 |
2.可選配傳感器的主要參數
序號 | 傳感器類型 | 測量范圍 | 測量原理 | 測量精度 |
1 | 溫度 | 0~50℃ | 高精度數字傳感器 | ±0.3℃ |
2 | pH | 0~14(ph) | 電化學(鹽橋) | ± 0.1PH |
3 | 溶解氧 | 0~20mg/L | 熒光壽命法 | ± 2% |
4 | 電導率 | 0~5000uS/cm | 接觸式電極法 | ± 1.5% |
5 | 濁度 | 0~40NTU(選配) | 散射光法 | ± 1% |
6 | ORP | -1500mv~1500mv | 電化學(鹽橋) | ± 6mv |
7 | 銨離子 | 1-100mg/l | 離子選擇電極法 | ± 5mg |
可根據客戶的實際情況及所要達到的技術指標定制合適的檢測方案
注意: 傳感器安裝時不能倒置或者水平安裝, 至少傾斜 15 度角以上安裝,
以上水質傳感器工作環境0-50℃,<0.3Mpa。
四、產品尺寸圖
五、設備安裝要求
1.遠離大功率無線電發射源
2.遠離高壓輸電線和微波無線電傳送通道
3.盡量靠近數據傳輸網絡
4.遠離強電磁干擾
在水土流失治理中可以使用水土流失監測系統。水土流失監測系統主要是由工作管理/數據采集存儲主控機、含沙···
在選擇水質監測站時,要根據自己的需求搭配合適的傳感器,比如很多情況下會監測水質ph值、濁度、氨氮、溶···
JD-LS6+便攜式流速儀是一款方便攜帶的水文監測設備,它能夠精準測量目標區域中流速、流量數據。
水產養殖監測站以水質傳感器為核心,通過監測和分析各項水質參數,并將采集的數據傳輸到平臺端,進行實時數···
為了更好的做好水質管理工作,要在河道范圍內安裝使用河道水質監測站,用于監測河道的水質狀況。
在水質監測工作中可以使用一些水質監測設備來幫助人們做好水質的管理工作。像水質在線監測系統、污水監測儀···